Bomba de bioetanol de vacío ESV 220/90, 195 m3/h, 5,5 kW, 1450 rpm, Ex

Bomba de bioetanol de vacío ESV 220/90, 195 m3/h, 5,5 kW, 1450 rpm, Ex

EMSE
Marca
1051696
Precio neto:
€3 133
Ucrania: Sólo pedido anticipado
Polonia: Sólo pedido anticipado
Alemania: Sólo pedido anticipado
Italia: Sólo pedido anticipado
1051696
Comprar en 1 clic
Entregamos en cualquier parte del mundo

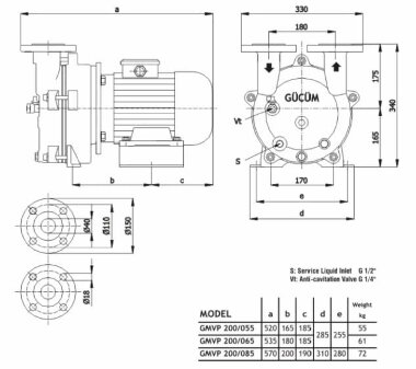
Características Bomba de bioetanol de vacío ESV 220/90, 195 m3/h, 5,5 kW, 1450 rpm, Ex

Manufacturero
EMSE
Tipo de equipamiento
con motor
Serie de bombas
ESV
Productividad, metros cúbicos por hora
195
Potencia, kilovatios
5,5
Material
hierro fundido
El diámetro de la tubería de entrada
DN50
El diámetro de la tubería de salida
DN50
Productividad (máx), metros cúbicos por hora
195
Material de la carcasa
hierro fundido GG 25
Todas las especificaciones

Descripción

Las bombas de vacío con sellado de agua se caracterizan por su alta confiabilidad, durabilidad y economía, por lo que se utilizan con éxito en una amplia gama de sectores e industrias industriales. Las áreas clave son la industria química: secado de disolventes orgánicos, fibras sintéticas, aminoplastos y materiales de polipropileno; disolución y sorción de gases tóxicos y ambientes líquidos peligrosos; Impregnación al vacío en la producción de condensadores, motores eléctricos, cables y transformadores. Industria de la madera y de la celulosa y el papel: ciclos productivos de secado, transformación y transformación de la madera, filtración al vacío y producción de celulosa, producción de materiales de papel y cartón, etc. Industria metalúrgica: aplicación de bombas de vacío en ciclos productivos relacionados con la pulvimetalurgia, producción de superconductores, compuestos ultrapuros, cristales láser, etc.; industria de la ingeniería; industria alimentaria: producción de malta para elaboración de cerveza, liofilización de productos alimenticios, refinación de bebidas alcohólicas, desalinización de agua, evaporación de agua en la producción de azúcar. Industria óptica: por ejemplo, aspirar superficies de espejos, garantizando la transparencia de los equipos ópticos; industria farmacéutica: por ejemplo, purificación de materias primas farmacéuticas, producción y almacenamiento de medicamentos; industria de la construcción: por ejemplo, desgasificación de materias primas cerámicas y arcillosas; Industria de perfumería y cosmética. El exceso de presión en la entrada puede alcanzar los 33 mbar (97% de vacío). Si la bomba de vacío funciona con una presión de gas constante inferior a 80 mbar, es necesario conectar un tubo anticavitación. Si la bomba está equipada con un eyector de aire, la presión de entrada puede alcanzar los 10 mbar. El eyector se puede instalar directamente en la bomba. Al funcionar como compresor, las bombas ESV pueden alcanzar 0,26 mPa (presión absoluta).

Documentación Bomba de bioetanol de vacío ESV 220/90, 195 m3/h, 5,5 kW, 1450 rpm, Ex

Descargar instrucciones, catálogo para Bomba de bioetanol de vacío ESV 220/90, 195 m3/h, 5,5 kW, 1450 rpm, Ex

Opiniones (0)

Para añadir una reseña, por favor, registrese o inicie sesión
Compra también con este producto
Precio:
€82
En stock
- +
Comprar en 1 clic
Precio:
€55
En stock
- +
Comprar en 1 clic
Precio:
€121
En stock
- +
Comprar en 1 clic
Precio:
€279
En stock
- +
Comprar en 1 clic
Precio:
€282
En stock
- +
Comprar en 1 clic
Precio:
€79
Sólo pedido anticipado
- +
Comprar en 1 clic
Precio:
€87
En stock
- +
Comprar en 1 clic
Precio:
€97
En stock
- +
Comprar en 1 clic
Precio:
€94
En stock
- +
Comprar en 1 clic
Precio:
€109
En stock
- +
Comprar en 1 clic
Precio:
€149
En stock
- +
Comprar en 1 clic
Precio:
€100
En stock
- +
Comprar en 1 clic
Precio:
€274
En stock
- +
Comprar en 1 clic
Precio:
€133
En stock
- +
Comprar en 1 clic
Precio:
€156
En stock
- +
Comprar en 1 clic
Precio:
€291
En stock
- +
Comprar en 1 clic
Precio:
€39
En stock
- +
Comprar en 1 clic
Precio:
€199
En stock
- +
Comprar en 1 clic
Precio:
€50
En stock
- +
Comprar en 1 clic
Precio:
€296
En stock
- +
Comprar en 1 clic
Precio:
€1 135
En stock
- +
Comprar en 1 clic
Precio:
€305
En stock
- +
Comprar en 1 clic
Precio:
€493
En stock
- +
Comprar en 1 clic
Precio:
€409
Sólo pedido anticipado
- +
Comprar en 1 clic
Buen precio
Precio:
€176
En stock
- +
Comprar en 1 clic
Bomba de acero inoxidable para vinazas IHG TKHGB 100/235-30/2, 30 kW, AISI 304, 2900, a prueba de explosiones Ex — BTS Engineering
Bomba de acero inoxidable para vinazas IHG TKHGB 100/235-30/2, 30 kW, AISI 304, 2900, a prueba de explosiones Ex — BTS Engineering
-13%
€4 040
Precio:
€3 485
En stock
- +
Comprar en 1 clic
Precio:
€570
En stock
- +
Comprar en 1 clic
Precio:
€275
En stock
- +
Comprar en 1 clic
¡Precio rebajado!
Bomba centrífuga vertical IRG BGL 25-125 (4/20), 0,75 kW, 2880 — BTS Engineering
Bomba centrífuga vertical IRG BGL 25-125 (4/20), 0,75 kW, 2880 — BTS Engineering
Precio:
€196
En stock
- +
Comprar en 1 clic
Precio:
€618
En stock
- +
Comprar en 1 clic
Precio:
€662
En stock
- +
Comprar en 1 clic
Elevador individual con mando a distancia AIZL-750W, 18/11,5, 0,75 kW, 220V, 2800 rpm — BTS Engineering
Elevador individual con mando a distancia AIZL-750W, 18/11,5, 0,75 kW, 220V, 2800 rpm — BTS Engineering
-7%
€604
Precio:
€557
En stock
- +
Comprar en 1 clic
0
Contacta con