Pompe de forage submersible 4 pouces ATEX ALPHA EX 24, 380V

Pompe de forage submersible 4 pouces ATEX ALPHA EX 24, 380V

OFT Pumps
La marque
540.40.008.025T
Prix net:
€4 342
Ukraine: Pré-commande uniquement
Pologne: Pré-commande uniquement
Allemagne: Pré-commande uniquement
Italie: Pré-commande uniquement
540.40.008.025T
Acheter en 1 clic
Nous livrons partout dans le monde

Caractéristiques Pompe de forage submersible 4 pouces ATEX ALPHA EX 24, 380V

Fabricant
OFT Pumps
Diamètre de la pompe
4" (100 mm)
Série de pompes
ALPHA EX
Productivité, mètres cubes par heure
6
Hauteur d'alimentation, m.niveau d'eau
185
Puissance, kW
2,2
Le diamètre du tuyau de sortie
1 1/4"
Hauteur de refoulement (max), m.eau st
185
Productivité (max), mètres cubes par heure
6
Matériau de l'impulseur
technopolymère
Toutes les spécifications
Produits de la même catégorie
€2 576
Pré-commande uniquement
€3 519
Pré-commande uniquement
€3 209
Pré-commande uniquement
€3 357
Pré-commande uniquement
€3 961
Pré-commande uniquement

La description

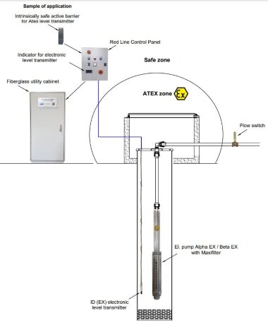
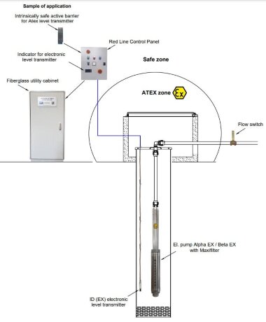
Application de la pompe : Les pompes ATEX conformes à la directive 2014/34/UE peuvent être installées dans des atmosphères explosives conformément au marquage ATEX. Caractéristiques : Pompes submersibles électriques centrifuges à plusieurs étages pour puits de 4 pouces équipées d'un système de turbine flottante qui permet de pomper le filtrat et le liquide chargé de petits solides. L'enveloppe extérieure de la pompe, le tuyau de refoulement, le tuyau d'aspiration, l'arbre et les autres composants sont en acier inoxydable. Roues et diffuseurs en technopolymère spécial avec inserts en céramique aux points d'usure. La tête de refoulement a un clapet anti-retour en acier inoxydable. Température du liquide pompé : pas plus de + 40 °C. Une version pour immersion continue dans les hydrocarbures est disponible (série ID EX). Disponible en AISI 316. Moteur : moteur asynchrone 2 pôles, 50 Hz, 2850 tr/min ; isolation de classe F; protection IP68 ; tension de fonctionnement : monophasé 220V, triphasé 380V. Accessoires : panneau de commande, module à sécurité intrinsèque avec circuit de puissance ATEX, contrôleur de niveau ATEX avec câble électrique de 5, 10 ou 20 m, capteur de niveau électronique, filtre maximum 142, maxifiltre 170, également disponible avec arbre incliné, câble de raccordement électrique selon le choix version et le liquide pompé.

Documentation Pompe de forage submersible 4 pouces ATEX ALPHA EX 24, 380V

Commentaires (0)

To add a review please sign up or login
Achetez également avec ce produit
Prix:
€82
En stock
- +
Acheter en 1 clic
Prix:
€55
En stock
- +
Acheter en 1 clic
Prix:
€121
En stock
- +
Acheter en 1 clic
Prix:
€279
En stock
- +
Acheter en 1 clic
Prix:
€1 029
Pré-commande uniquement
- +
Acheter en 1 clic
Prix:
€282
En stock
- +
Acheter en 1 clic
Prix:
€79
Pré-commande uniquement
- +
Acheter en 1 clic
Prix:
€87
En stock
- +
Acheter en 1 clic
Prix:
€97
En stock
- +
Acheter en 1 clic
Prix:
€94
En stock
- +
Acheter en 1 clic
Prix:
€109
En stock
- +
Acheter en 1 clic
Prix:
€149
En stock
- +
Acheter en 1 clic
Prix:
€100
En stock
- +
Acheter en 1 clic
Prix:
€274
En stock
- +
Acheter en 1 clic
Prix:
€133
En stock
- +
Acheter en 1 clic
Prix:
€156
En stock
- +
Acheter en 1 clic
Prix:
€291
En stock
- +
Acheter en 1 clic
Prix:
€39
En stock
- +
Acheter en 1 clic
Prix:
€199
En stock
- +
Acheter en 1 clic
Prix:
€50
En stock
- +
Acheter en 1 clic
Prix:
€296
En stock
- +
Acheter en 1 clic
Prix:
€1 135
En stock
- +
Acheter en 1 clic
Prix:
€305
En stock
- +
Acheter en 1 clic
Prix:
€493
En stock
- +
Acheter en 1 clic
Prix:
€409
Pré-commande uniquement
- +
Acheter en 1 clic
Bon prix
Prix:
€176
En stock
- +
Acheter en 1 clic
Prix:
€570
En stock
- +
Acheter en 1 clic
Prix:
€275
En stock
- +
Acheter en 1 clic
Bas prix!
Pompe centrifuge verticale IRG BGL 25-125 (4/20), 0,75kW, 2880 — BTS Engineering
Pompe centrifuge verticale IRG BGL 25-125 (4/20), 0,75kW, 2880 — BTS Engineering
Prix:
€196
En stock
- +
Acheter en 1 clic
Prix:
€618
En stock
- +
Acheter en 1 clic
Prix:
€662
En stock
- +
Acheter en 1 clic
Ascenseur solo avec télécommande AIZL-750W, 18/11,5, 0,75 kW, 220 V, 2 800 tr/min — BTS Engineering
Ascenseur solo avec télécommande AIZL-750W, 18/11,5, 0,75 kW, 220 V, 2 800 tr/min — BTS Engineering
-7%
€604
Prix:
€557
En stock
- +
Acheter en 1 clic
0
Contactez-nous