RUBY FDA 040S-W-ESS-T насос пневматический мембранный

RUBY FDA 040S-W-ESS-T насос пневматический мембранный

AlphaDynamic
Бренд
A040-7152-T
Цена :
149 448 грн.
Украина: Под заказ
Польша: Под заказ
Германия: Под заказ
Италия: Под заказ
A040-7152-T
Купить в 1 клик
Поставляем в любую точку мира

Характеристики RUBY FDA 040S-W-ESS-T насос пневматический мембранный

Производитель
AlphaDynamic (другие товары)
Серия насоса
RUBY FDA
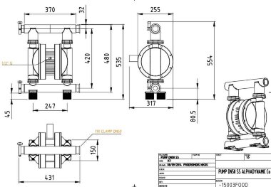
Производительность, м.куб/час
21.6
Высота подачи, м.вод.ст
70
Материал
AISI 316 нержавеющая сталь (другие товары)
Диаметр входного патрубка
1 1/2"
Диаметр выходного патрубка
1 1/2”
Высота подачи (max), м.вод.ст
70
Производительность (max), м.куб/час
21.6
Материал корпуса
AISI 316 нержавеющая сталь
Все характеристики
Товары из этой же категории

Описание

Пневматические мембранные насосы Ruby производятся согласно требованиям FDA. Вся гамма данных насосов выполнена из нержавеющей стали AISI 316 Electro polished на основании Международного Регламента ASTM A380, а PTFE и EPDM мембраны – это мембраны новой технологии со встроенным поршнем. (Compound). Преимущества насосов Ruby FDA: - мембраны EPDM нового поколения со встроенным внутренним-внешним поршнем с сертификатом FDA Мембраны нового поколения и дизайна PTFE со встроенным поршнем для более долгого срока службы (compound) с сертификатом FDA. Рабочая температура от -10°C до +130°C; - мембраны передовых технологий PTFE-Α, обеспечивающие большую подачу с сертификатом FDA; - экономичное потребление воздуха, экологический дизайн; - высокая степень производительности; - оптимальная производительность; - новый дизайн воздушного клапана, полностью контролируемый проход воздуха; - простота демонтажа и повторной сборки; - комбинированные мембраны с модифицированным слоем тефлона, рассчитаны на 100 млн. циклов, идеальны для работы с абразивными жидкостями и для работы в условиях отрицательных температур; - отличная производительность и соотношение цены и качества; - идеально подходит для абразивных, вязких и чувствительных к сдвигу сред; - перекачивание вязких жидкостей; - простота в обслуживании и замене деталей.

Документация RUBY FDA 040S-W-ESS-T насос пневматический мембранный

Отзывы (0)

Чтобы добавить отзыв, пожалуйста, зарегистрируйтесь или войдите
С этим товаром также покупают
Цена:
6 284 грн.
В наличии
- +
Купить в 1 клик
Цена:
4 190 грн.
В наличии
- +
Купить в 1 клик
Цена:
9 302 грн.
В наличии
- +
Купить в 1 клик
Цена:
21 515 грн.
В наличии
- +
Купить в 1 клик
Цена:
21 749 грн.
В наличии
- +
Купить в 1 клик
Цена:
6 091 грн.
Под заказ
- +
Купить в 1 клик
Цена:
6 679 грн.
В наличии
- +
Купить в 1 клик
Цена:
7 202 грн.
В наличии
- +
Купить в 1 клик
Цена:
8 380 грн.
В наличии
- +
Купить в 1 клик
Цена:
11 489 грн.
В наличии
- +
Купить в 1 клик
Цена:
7 727 грн.
В наличии
- +
Купить в 1 клик
Цена:
21 155 грн.
В наличии
- +
Купить в 1 клик
Цена:
10 212 грн.
В наличии
- +
Купить в 1 клик
Цена:
12 046 грн.
В наличии
- +
Купить в 1 клик
Цена:
22 480 грн.
В наличии
- +
Купить в 1 клик
Цена:
3 005 грн.
В наличии
- +
Купить в 1 клик
Цена:
15 365 грн.
В наличии
- +
Купить в 1 клик
Цена:
22 827 грн.
В наличии
- +
Купить в 1 клик
Цена:
87 741 грн.
В наличии
- +
Купить в 1 клик
Цена:
23 570 грн.
В наличии
- +
Купить в 1 клик
Цена:
38 104 грн.
В наличии
- +
Купить в 1 клик
Цена:
31 595 грн.
Под заказ
- +
Купить в 1 клик
Выгодная цена
Цена:
13 551 грн.
В наличии
- +
Купить в 1 клик
Насос нержавеющий для барды IHG TKHGB 100/235-30/2, 30 kW, AISI 304, 2900, Ex взрывозащищенный — BTS Engineering
Насос нержавеющий для барды IHG TKHGB 100/235-30/2, 30 kW, AISI 304, 2900, Ex взрывозащищенный — BTS Engineering
-13%
312 453 грн.
Цена:
269 460 грн.
В наличии
- +
Купить в 1 клик
Цена:
44 053 грн.
В наличии
- +
Купить в 1 клик
Цена:
21 199 грн.
В наличии
- +
Купить в 1 клик
Скидка!
IRG BGL 25-125 (4/20), 0,75kW, 2880 насос центробежный вертикальный — BTS Engineering
IRG BGL 25-125 (4/20), 0,75kW, 2880 насос центробежный вертикальный — BTS Engineering
Цена:
15 106 грн.
В наличии
- +
Купить в 1 клик
Цена:
47 762 грн.
В наличии
- +
Купить в 1 клик
Цена:
51 122 грн.
В наличии
- +
Купить в 1 клик
Сололифт с пультом управления AIZL-750W, 18/11,5, 0,75 кВт, 220V, 2800 об/мин — BTS Engineering
Сололифт с пультом управления AIZL-750W, 18/11,5, 0,75 кВт, 220V, 2800 об/мин — BTS Engineering
-7%
46 645 грн.
Цена:
43 008 грн.
В наличии
- +
Купить в 1 клик
0
Связаться с нами