Шестеренчатый насос из нержавеющей стали Kupar KHP 2 1/2 дюйма-C, AISI 316, 3,5-35 м3/ч

Шестеренчатый насос из нержавеющей стали Kupar KHP 2 1/2 дюйма-C, AISI 316, 3,5-35 м3/ч

KUPAR
Бренд
1040505
Цена :
По запросу
Украина: Под заказ
Польша: Под заказ
Германия: Под заказ
Италия: Под заказ
1040505
Купить в 1 клик
Поставляем в любую точку мира

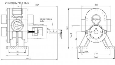
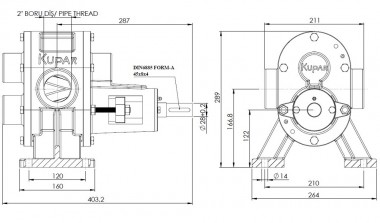
Характеристики Шестеренчатый насос из нержавеющей стали Kupar KHP 2 1/2 дюйма-C, AISI 316, 3,5-35 м3/ч

Производитель
KUPAR
Тип зацепления шестерен
внешнее
Расход, л/об
0,583
Диапазон давления, бар
1-14
Серия насоса
KHP
Производительность, м.куб/час
35
Мощность, кВт
Материал
AISI 316 нержавеющая сталь (другие товары)
Диаметр входного патрубка
2 1/2"
Диаметр выходного патрубка
2 1/2"
Все характеристики

Описание

Важнейшим критерием при выборе типа шестеренчатых насосов является вязкость продукта. Основные критерии при подборе шестеренчатого насоса: - тип насоса: основополагающий принцип заключается в том, что внешнее зацепление шестерен используется для жидкостей относительно низкой вязкости, а внутреннее для жидкостей высокой вязкости. - размер патрубков: размер патрубков и подсоединяемых трубопроводов также связан с вязкостью продукта. При выборе типа насоса и проектировании системы трубопроводов следует точно рассчитать диаметры трубопроводов для достижения оптимальной скорости потока для жидкости заданной вязкости. В данном случае действительна прямая зависимость – для жидкостей большей вязкости следует использовать трубы большего диаметра. - скорость вращения насоса: максимальная скорость для шестеренчатых насосов составляет 1500 об/мин. Она уменьшается в соответствии с увеличением вязкости. Высокие скорости следует выбирать для низкой вязкости, низкие скорости для высокой вязкости. Прямое сцепление с электродвигателем используется на 1000 и 1500 об/мин. Для 500 об/мин. и ниже – сцепление с электродвигателем осуществляется через редуктор или клиноременную передачу. - рабочие допуски: рабочие зазоры устанавливаются при изготовлении насоса, некоторые зазоры регулируются при сборе насоса в соответствии с диапазонами вязкости. Для перекачки определенного вида жидкости следует использовать насос с соответствующими рабочими зазорами, иначе насос может работать с меньшим давлением или полностью остановиться.

Документация Шестеренчатый насос из нержавеющей стали Kupar KHP 2 1/2 дюйма-C, AISI 316, 3,5-35 м3/ч

Отзывы (0)

Чтобы добавить отзыв, пожалуйста, зарегистрируйтесь или войдите
С этим товаром также покупают
Цена:
6 284 грн.
В наличии
- +
Купить в 1 клик
Цена:
4 190 грн.
В наличии
- +
Купить в 1 клик
Цена:
9 302 грн.
В наличии
- +
Купить в 1 клик
Цена:
21 515 грн.
В наличии
- +
Купить в 1 клик
Цена:
21 749 грн.
В наличии
- +
Купить в 1 клик
Цена:
6 091 грн.
Под заказ
- +
Купить в 1 клик
Цена:
6 679 грн.
В наличии
- +
Купить в 1 клик
Цена:
7 202 грн.
В наличии
- +
Купить в 1 клик
Цена:
8 380 грн.
В наличии
- +
Купить в 1 клик
Цена:
11 489 грн.
В наличии
- +
Купить в 1 клик
Цена:
7 727 грн.
В наличии
- +
Купить в 1 клик
Цена:
21 155 грн.
В наличии
- +
Купить в 1 клик
Цена:
10 212 грн.
В наличии
- +
Купить в 1 клик
Цена:
12 046 грн.
В наличии
- +
Купить в 1 клик
Цена:
22 480 грн.
В наличии
- +
Купить в 1 клик
Цена:
3 005 грн.
В наличии
- +
Купить в 1 клик
Цена:
15 365 грн.
В наличии
- +
Купить в 1 клик
Цена:
22 827 грн.
В наличии
- +
Купить в 1 клик
Цена:
87 741 грн.
В наличии
- +
Купить в 1 клик
Цена:
23 570 грн.
В наличии
- +
Купить в 1 клик
Цена:
38 104 грн.
В наличии
- +
Купить в 1 клик
Цена:
31 595 грн.
Под заказ
- +
Купить в 1 клик
Выгодная цена
Цена:
13 551 грн.
В наличии
- +
Купить в 1 клик
Насос нержавеющий для барды IHG TKHGB 100/235-30/2, 30 kW, AISI 304, 2900, Ex взрывозащищенный — BTS Engineering
Насос нержавеющий для барды IHG TKHGB 100/235-30/2, 30 kW, AISI 304, 2900, Ex взрывозащищенный — BTS Engineering
-13%
312 453 грн.
Цена:
269 460 грн.
В наличии
- +
Купить в 1 клик
Цена:
44 053 грн.
В наличии
- +
Купить в 1 клик
Цена:
21 199 грн.
В наличии
- +
Купить в 1 клик
Скидка!
IRG BGL 25-125 (4/20), 0,75kW, 2880 насос центробежный вертикальный — BTS Engineering
IRG BGL 25-125 (4/20), 0,75kW, 2880 насос центробежный вертикальный — BTS Engineering
Цена:
15 106 грн.
В наличии
- +
Купить в 1 клик
Цена:
47 762 грн.
В наличии
- +
Купить в 1 клик
Цена:
51 122 грн.
В наличии
- +
Купить в 1 клик
Сололифт с пультом управления AIZL-750W, 18/11,5, 0,75 кВт, 220V, 2800 об/мин — BTS Engineering
Сололифт с пультом управления AIZL-750W, 18/11,5, 0,75 кВт, 220V, 2800 об/мин — BTS Engineering
-7%
46 645 грн.
Цена:
43 008 грн.
В наличии
- +
Купить в 1 клик
0
Связаться с нами