Spiralny wymiennik ciepła – rodzaje wymienników ciepła do stosowania w procesach technologicznych przy produkcji alkoholu, bioetanolu, rekuperacyjne spiralne wymienniki ciepła dla stacji ciepłowniczych, organizacji chłodnictwa przy obiegowym zaopatrzeniu w wodę przedsiębiorstw. Nasza firma oferuje dwa rodzaje wymienników ciepła-demontowalne, gdy pokrywy po stronie spirali można otworzyć do kontroli, spłukiwania. Spawane spiralne wymienniki ciepła – gdy arkusze są spawane. Połączone spiralne wymienniki ciepła - gdy jedna strona wymiennika ciepła jest demontowana, pokrywa spiralnego wymiennika ciepła jest usuwana, a druga strona jest spawana.
Spawane spiralne wymienniki ciepła mają przewagę nad demontowalnymi, ponieważ wytrzymują wyższe ciśnienie cieczy i mają większą sztywność konstrukcyjną. Spiralne wymienniki ciepła nie muszą być używane do demontażu we wszystkich cyklach procesowych, ponieważ organizacja technologicznego mycia urządzeń do płukania SIP za pomocą roztworów żrących i detergentów nie wymaga ich demontażu.
Nasi inżynierowie mogą zaprojektować myjnię SIP dla urządzeń technologicznych zgodnie z wymaganiami klienta.
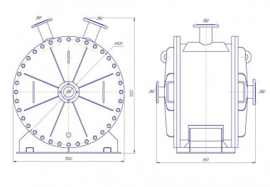
Spiralny wymiennik ciepła to urządzenie do przenoszenia energii cieplnej z jednego chłodziwa do drugiego. Media gazowe, ciekłe lub pary-ciecze mogą być stosowane jako nośnik ciepła.
Firma BTS-ENGINEERING zajmuje się projektowaniem i obliczaniem spiralnych wymienników ciepła dla procesów technologicznych.
Spiralne wymienniki ciepła występują w dwóch typach:
Spawane wymienniki ciepła to kompaktowe wymienniki ciepła do stosowania w ekstremalnie wysokich temperaturach, ciśnieniach w instalacjach, których parametry nie pozwalają na stosowanie uszczelnień. Charakteryzują się wysoką wydajnością, małymi wymiarami i wymagają minimalnej konserwacji.
Spawane wymienniki ciepła są wykonane z różnych materiałów. Jakość konstrukcji spawanych wymienników ciepła spełnia najwyższe wymagania.


| Model wymiennika ciepła | S, m2 | Szerokość, B mm | Wysokość kanału, b mm | Średnica, D mm | Wydajność, qv m3/h przy natężeniu przepływu | Średnica kołnierza, DN1 mm | Średnica kołnierza, DN2 mm | Waga, kg | |
| 1.0 m/s | 1.5 m/s | ||||||||
| BTS0.6-20-610-10/10 | 20 | 610 | 10/10 | 828 | 21.2 | 31.9 | 65/65 | 65/65 | 1210 |
| BTS0.6-20-750-10/10 | 750 | 10/10 | 760 | 26.3 | 39.4 | 65/65 | 65/65 | 1116 | |
| BTS0.6-30-610-14/14 | 30 | 610 | 14/14 | 1108 | 29.3 | 44.0 | 65/65 | 80/80 | 1840 |
| BTS0.6-30-750-12/12 | 750 | 12/12 | 958 | 31.4 | 47.1 | 65/65 | 80/80 | 1660 | |
| BTS0.6-40-750-14/14 | 40 | 750 | 14/14 | 1148 | 36.4 | 54.6 | 65/65 | 80/80 | 2190 |
| BTS0.6-40-1220-16/16 | 1220 | 16/16 | 976 | 68.4 | 102.6 | 100/100 | 125/125 | 2030 | |
| BTS0.6-50-750-16/16 | 50 | 750 | 16/16 | 1340 | 41.4 | 62.0 | 80/80 | 100/100 | 2830 |
| BTS0.6-50-1220-18/18 | 1220 | 18/18 | 1125 | 76.7 | 115.1 | 100/100 | 125/125 | 2560 | |
| BTS0.6-60-1220-10/10 | 60 | 1220 | 10/10 | 980 | 43.2 | 64.8 | 80/80 | 100/100 | 2530 |
| BTS0.6-60-1220-15/15 | 1220 | 15/15 | 1136 | 64.3 | 96.4 | 100/100 | 125/125 | 2820 | |
| BTS0.6-60-1220-24/24 | 1220 | 24/24 | 1370 | 101.3 | 151.9 | 125/125 | 150/150 | 3380 | |
| BTS0.6-80-1220-14/14 | 80 | 1220 | 14/14 | 1262 | 60.1 | 90.1 | 100/100 | 125/125 | 3550 |
| BTS0.6-80-1220-32/32 | 1220 | 32/32 | 1780 | 133.2 | 199.8 | 150/150 | 200/200 | 4880 | |
| BTS0.6-80-1220-22/22 | 1220 | 22/22 | 1517 | 93.1 | 139.7 | 125/125 | 150/150 | 4220 | |
| BTS0.6-100-1220-12/12 | 100 | 1220 | 12/12 | 1320 | 51.7 | 77.5 | 80/80 | 100/100 | 4170 |
| BTS0.6-100-1220-20/20 | 1220 | 20/20 | 1620 | 85.0 | 127.4 | 100/100 | 125/125 | 4930 | |
| BTS0.6-100-1220-26/26 | 1220 | 26/26 | 1808 | 109.3 | 164.0 | 125/125 | 150/150 | 5450 | |
| BTS0.6-120-1220-16/16 | 120 | 1220 | 16/16 | 1610 | 68.4 | 102.6 | 100/100 | 125/125 | 5370 |
| BTS0.6-120-1220-28/28 | 1220 | 28/28 | 2032 | 117.3 | 176.0 | 125/125 | 150/150 | 6560 | |
| BTS0.6-120-1500-12/12 | 1500 | 12/12 | 1305 | 63.8 | 95.6 | 100/100 | 125/125 | 6700 | |
| BTS0.6-140-1220-30/30 | 140 | 1220 | 30/30 | 2258 | 129.6 | 194.4 | 125/125 | 150/150 | 7700 |
| BTS0.6-140-1500-13/13 | 1500 | 13/13 | 1444 | 69.0 | 103.5 | 100/100 | 125/125 | 5480 | |
| BTS0.6-140-1500-18/18 | 1500 | 18/18 | 1723 | 105.1 | 157.7 | 125/125 | 150/150 | 6340 | |
| BTS0.6-160-1500-14/14 | 160 | 1500 | 14/14 | 1615 | 74.2 | 111.3 | 100/100 | 125/125 | 6480 |
| BTS0.6-160-1500-17/17 | 1500 | 17/17 | 1747 | 89.7 | 134.6 | 125/125 | 150/150 | 6870 | |
| BTS0.6-160-1500-20/20 | 1500 | 20/20 | 2050 | 135.5 | 203.3 | 125/125 | 150/150 | 7800 | |
| BTS0.6-180-1500-15/15 | 180 | 1500 | 15/15 | 1724 | 79.4 | 119.1 | 100/100 | 125/125 | 7280 |
| BTS0.6-180-1500-22/22 | 1500 | 22/22 | 2020 | 115.3 | 173.0 | 125/125 | 150/150 | 8190 | |
| BTS0.6-180-1500-25/25 | 1500 | 25/25 | 2136 | 130.5 | 195.8 | 125/125 | 200/200 | 8500 | |
| BTS0.6-200-1500-16/16 | 200 | 1500 | 16/16 | 1862 | 84.6 | 126.8 | 100/100 | 125/125 | 8140 |
| BTS0.6-200-1500-24/24 | 1500 | 24/24 | 2206 | 125.5 | 188.2 | 125/125 | 150/150 | 9100 | |
| BTS0.6-200-1500-30/30 | 1500 | 30/30 | 2430 | 155.5 | 233.3 | 150/150 | 200/200 | 9900 | |
| BTS0.6-220-1500-18/18 | 220 | 1500 | 18/18 | 2040 | 94.9 | 142.3 | 125/125 | 150/150 | 9130 |
| BTS0.6-220-1500-28/28 | 1500 | 28/28 | 2460 | 145.6 | 218.3 | 150/150 | 200/200 | 10500 | |
| BTS0.6-220-1500-32/32 | 1500 | 32/32 | 2600 | 165.4 | 248.1 | 150/150 | 200/200 | 11000 | |